هل تعرف حالة عمل UC284×؟
إن كيفية عمل UC284× تتطلب معرفة بالأنظمة التناظرية والرقمية. لذا، دع المؤلف يقودك اليوم إلى فهمه. وآمل أن تكتسب شيئًا بعد قراءته.
الشكل 1 عبارة عن رسم تخطيطي كتلي تمثيلي لـ UC284×. ونظرًا لأن كل حالة محيطية قد تؤثر على الناتج، فإننا نحاول الدفع للأمام من الناتج. وفقًا لظروف تشغيل وإيقاف تشغيل أنبوب المفتاح، يتم دفع علاقة الإدخال المقابلة بشكل تسلسلي.
 
مخطط كتلة تمثيلي لـ UC284×
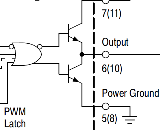
قم أولاً بتحليل دائرة الإخراج المحركة. بالنظر إلى الشكل 2، يتكون خرج المحرك من بوابة OR ودائرة دفع وسحب. عند إيقاف تشغيل المفتاح، يكون خرج الدفع والسحب منخفضًا، أو يكون خرج عكس البوابة منخفضًا، ويكون الناتج غير العاكس مرتفعًا. في هذا الوقت، يكون مدخل OR مرتفع المستوى. لاحظ أنه طالما أن مدخل OR مرتفع، فيجب إيقاف تشغيل المفتاح، وإلا فسيتم تشغيل المفتاح، والشروط بسيطة للغاية.
 
تحليل دائرة الإخراج المدفوعة
ثم قم بتحليل مدخل بوابة OR. يتضمن مدخل بوابة OR: 1. قفل الجهد المرجعي؛ 2. خرج المذبذب؛ 3. خرج مزلاج PWM. في أي حالة يكون مستوى الطاقة مرتفعًا (إيقاف التشغيل)؟
 
تحليل مدخلات بوابة OR
يوضح الشكل 3 خرج قسم قفل الجهد المنخفض المرجعي. عندما يكون جهد مصدر الطاقة UC284× أقل من قيمة قفل الجهد المنخفض لمصدر الطاقة (تكون العتبات العلوية والسفلية لمقارن VCC: UC2844 16V/10V؛ UC2845 8.4V/7.6V). هذا يعني أن خرج المرجع والمنظم أقل من 3.6 فولت، ويخرج قفل الجهد المنخفض المرجعي مستوى منخفضًا، وينعكس بعد عكسه. ماذا يعني ذلك؟ يشير إلى أن الإخراج غير مسموح به عندما يكون جهد مصدر الطاقة غير كافٍ. لا يساهم قفل الجهد المنخفض المرجعي في خرج UC284× عندما تعمل الدائرة بشكل طبيعي.
 
خرج قسم قفل الجهد المنخفض المرجعي
يوضح الشكل 4 خرج المذبذب. عندما يتم شحن مكثف التوقيت، يخرج المذبذب جهدًا منخفضًا؛ عندما يتم تفريغ مكثف التوقيت، يخرج المذبذب جهدًا عاليًا (يتم شرح المبدأ أعلاه بالكامل في مواصفات UC284). الفهم أعلاه هو أنه يُسمح للترانزستور التبديلي بالتوصيل عندما يتم شحن مكثف التوقيت، ولا يُسمح بتشغيل أنبوب التبديل عندما يتم تفريغ مكثف التوقيت.
 
إخراج المذبذب
يوضح الشكل 5 مزلاج PWM. عندما يخرج المذبذب مستوى عاليًا، يتم ضبط مزلاج PWM ويكون خرجه العاكس منخفضًا. عندما يخرج مقارن استشعار التيار مستوى مرتفعًا، يتم مسح مزلاج PWM ويكون خرجه المقلوب مرتفعًا. عندما يرسل مضخم الخطأ الجهد إلى طرف إدخال مقارن اكتشاف التيار (-) أكبر من جهد التغذية الراجعة للتيار، يخرج مقارن اكتشاف التيار مستوى منخفضًا، ويكون خرج UC284× مرتفعًا في الحالة العادية، مما يسمح بتشغيل المفتاح. عندما يرسل مضخم الخطأ الجهد إلى طرف إدخال مقارن اكتشاف التيار (-) أقل من جهد التغذية الراجعة للتيار، يخرج مقارن اكتشاف التيار مستوى مرتفعًا، يتم مسح مزلاج PWM، ويكون خرجه المقلوب منخفضًا. يكون خرج UC284× منخفضًا في الحالة العادية، ويتم إيقاف تشغيل المفتاح.
في الوقت الحاضر، وجد أن هناك أخطاء في أطراف الطور المتزامن والعاكس لمقارن اكتشاف التيار في مواصفات المنتج، كما هو موضح في الشكل. 6. في الواقع، يجب إرسال مضخم الخطأ إلى طرف إدخال مقارن الكشف عن التيار كطرف عاكس، وجهد التغذية الراجعة الحالي إلى طرف إدخال مقارن الكشف عن التيار كطرف غير عاكس.
 
هناك أخطاء في أطراف الطور والعاكسة لمقارن الكشف عن التيار
باختصار:
1. عندما يكون جهد مصدر الطاقة أقل من الجهد، لا يُسمح لأنبوب التبديل بالتوصيل. عندما يكون الجهد طبيعيًا، لا يتأثر أنبوب التبديل بجهد مصدر الطاقة.
2. عندما يتم شحن مكثف التوقيت، يُسمح لأنبوب التبديل بالتوصيل. عندما يتم تفريغ مكثف التوقيت، لا يُسمح لأنبوب التبديل بالتوصيل.
3. عندما يكون الجهد المرسل بواسطة مكبر الخطأ إلى مدخل (-) مقارن استشعار التيار أكبر من جهد التغذية الراجعة الحالي، يُسمح للمفتاح بالتوصيل. عندما يرسل مكبر الخطأ جهدًا إلى مدخل مقارن استشعار التيار (-) أقل من جهد التغذية الراجعة الحالي، يتم إيقاف تشغيل المفتاح.
 
                             
                         
                             
                         Global - English
Global - English Italian - Italiano
Italian - Italiano Polish - Polski
Polish - Polski Spanish - Español
Spanish - Español French - Français
French - Français Russian - Pусский язык
Russian - Pусский язык Chinese - 中文
Chinese - 中文 Korean - 한국어
Korean - 한국어 Turkish - Türkçe
Turkish - Türkçe Vietnamese - Tiếng Việt
Vietnamese - Tiếng Việt
