- Home > منتج > محرك خاص بالصناعة > أداة آلية > محرك سيرفو المغزل SD500
محرك سيرفو المغزل SD500
- سرعة دقيقة، التحكم في الموضع، دقة تحديد الموضع ±1 نبضة
- وظيفة التعلم الذاتي القوية
- وضع شبه توقف متعدد المراحل، خطأ النقر الصلب ±2%
- ضبط نقطة واحدة في موضع الصفر، سهل التشغيل
الميزات
- الميزات
- لمواصفات
- التنزيلات
- الحلول
- الحالات
- الأخبار
- المنتجات ذات الصلة
- معلومات إضافية
نظرة عامة على محرك سيرفو المغزل SD500
SD500 هو جيل جديد من محركات سيرفو المغزل عالية الأداء. واجهة التشفير المزدوجة القياسية يمكنها تحقيق التحكم الكامل في حلقة السيرفو المغلقة لمحرك المغزل. يتكامل مع التحكم في السرعة، والتحكم في الموضع والتحكم في العزم. يوفر التحكم الدقيق في الموضع وتعزيز تكيف المنتج مع البيئة بالإضافة إلى التصميم المخصص والصناعي لتقديم حلول قيادة ممتازة لمغزل الآلات.

1. التشفير المزدوج: واجهة التشفير المزدوجة، التحكم المتجه المغلق بالكامل.
2. استجابة سريعة: قدرة استجابة قوية للتحميل.
3. تحسين المعلمات: الضبط الذاتي لمعلمات الحلقة.
4. نطاق واسع: عزم منخفض التردد كبير، نطاق سرعة واسع.
5. استقرار قوي: تحديد دقيق للموقع وتصحيح بسيط.
6. دعم التحكم المفتوح والمغلق: دمج القيادة المتزامنة وغير المتزامنة.
محرك سيرفو مغزل عالي الأداء
SD500 هو جيل جديد من محرك سيرفو المغزل عالي الأداء تم تطويره بواسطة VEICHI. يأتي مزودًا بواجهات تشفير مزدوجة كمعيار قياسي، مما يتيح تحقيق التحكم الكامل في حلقة السيرفو المغلقة لمحرك المغزل. يتكامل مع التحكم في السرعة، والتحكم في الموضع، والتحكم في العزم؛ يعزز التكيف البيئي، بالإضافة إلى التصميم المخصص والصناعي لتوفير حلول قيادة ممتازة لمغزل الآلات.

قدرة تعلم ذاتي قوية

1. يدعم التحكم المتجه المفتوح والمغلق، دمج القيادة المتزامنة وغير المتزامنة.
2. التحكم الدقيق في السرعة والموضع، يمكن أن تصل دقة تحديد الموقع إلى ±1 نبضة.
3. وظيفة التعلم الذاتي القوية: ضبط معلمات المحرك، التشفير، القصور الذاتي للنظام، ومعلمات حلقة السرعة.
4. منصة خرج عزم ثابت أوسع، قدرة أكبر على تقليل المجال لزيادة السرعة.
تصميم ثلاثي للحماية، تكيف بيئي قوي

1. موضع إيقاف دقيق متعدد المراحل، خطأ التثقيب القاسي ±2%.
2. يتم تعيين الموضع الصفري بزر واحد، مما يسهل عملية التشغيل.
3. الحد من التيار في الأجهزة، قدرة تحميل زائدة قوية، التكيف مع ظروف العمل القاسية.
4. ثمانون نوعًا من الحماية ضد الفشل، حماية شاملة لسلامة المنتج.
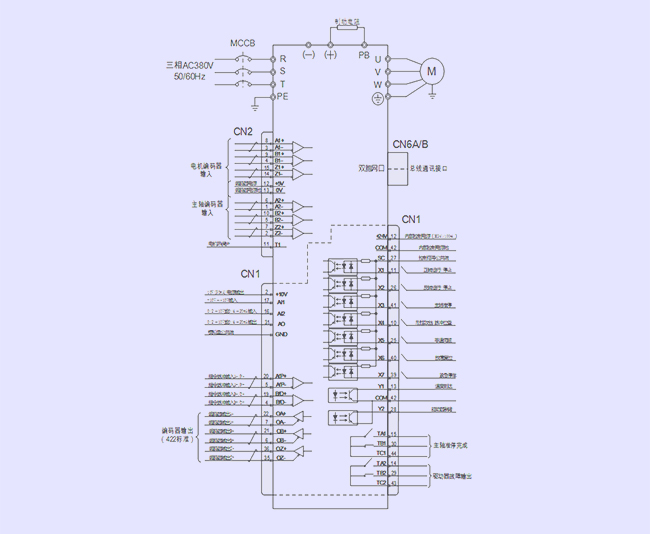
منافذ أسلاك غنية

1. 6-way switch + 1 way to tell switch input.
2. 2 collector outputs + 2 relay outputs.
3. 1 bipolar analog input + 1 unipolar analog input + 1 analog output.
4. 2 encoder inputs + 1 high-speed command pulse input + 1 arbitrary frequency division differential output.
5. مزود بـ 5V، 10V، 24V للطاقة الخارجية.
التحكم الدقيق، التكيف المتقن في كل أنواع "الفنون القتالية" الـ18

1. التحكم في الموضع، والتحكم في السرعة، والتحكم في العزم.
2. المحرك غير المتزامن / المحرك المتزامن / V/F، التحكم المتجه المفتوح، والتحكم المتجه المغلق.
3. أوضاع تعيين نبضات متعددة.
4. التعرف على القصور الذاتي، الضبط الذاتي لمعلمات الحلقة.
5. 8 إيقاف دقيق مع التحكم في التحديد.
6. تأرجح الموضع.
7. تعيين النقطة الصفرية بزر واحد.
8. التحكم PID وغيرها.
أداء متفوق في جهاز واحد لابتكار منتج مميز من VEICHI

1. خوارزمية التحكم المثالي في التيار المتجه.
2. نطاق السرعة واسع، واهتزاز السرعة صغير عند السرعات العالية جداً.
3. معدات الأجهزة آمنة وموثوقة.
4. التحكم في الموضع سريع الاستجابة وذو دقة عالية.
5. تحكم ممتاز في توفير الطاقة من خلال تحويل التردد.
6. التحكم الدقيق في العزم والإخراج المستقر.
7. العزم منخفض التردد كبير والسرعة مستقرة.
8. استجابة ديناميكية وساكنة جيدة للتحميل.
فيديو محرك سيرفو المغزل SD500
التطبيقات الصناعية لمحرك سيرفو المغزل SD500
التطبيقات: يُستخدم في الصناعات والمعدات مثل آلات CNC، تصنيع الإلكترونيات، آلات النسيج، الطباعة والتغليف، آلات القص، وآلات النجارة.
المواصفات
| نطاق القدرة | 4,000 واط - 37,000 واط | 
|---|
| تردد الجهد | ثلاث مراحل: 380V ~ 440V، 50/60 هرتز | 
|---|---|
| السماح بالتقلبات | معدل عدم توازن الجهد: < 3٪؛ التردد: ±5٪؛ معدل التشوه يتوافق مع متطلبات IEC61800-2 | 
| تيار الصدمة عند الإغلاق | أقل من التيار المقنن | 
| عامل القدرة | ≥0.94 (مع المحول الثابت DC) | 
| كفاءة محول التردد | ≥96٪ | 
| جهد الإخراج | الإخراج تحت الظروف المقننة: ثلاثي الطور 380 ~ 440V، الخطأ أقل من 5٪ | 
|---|---|
| نطاق سرعة الإخراج | محرك 4 أقطاب من 0 إلى 18000 دورة في الدقيقة؛ 0 إلى 600 هرتز | 
| وضع التحكم في المحرك | تعديل PWM الجيبي، والتحكم الكامل في الحلقة المغلقة باستخدام الفكتور | 
|---|---|
| نطاق التحكم في السرعة | 1:1000 | 
| دقة السرعة في الحالة المستقرة | ≤0.05٪ من السرعة المتزامنة المقننة | 
| عزم بدء التشغيل | 200٪ من عزم التشغيل المقنن عند 0 هرتز | 
| استجابة العزم | <10ms | 
| دقة التحكم في السرعة | ±2٪ | 
| دقة التحكم في الموضع | ±1 نبضة | 
| قدرة التحميل الزائد | 200٪ من التيار المقنن لمدة 20 ثانية | 
| إدخال رقمي | إدخال معزول عبر الفصل البصري 7 قنوات، وضع الإدخال NPN، PNP اختياري | 
|---|---|
| إخراج رقمي | إخراج معزول عبر الفصل البصري 2 اتجاه | 
| إدخال تماثلي | اتجاهان: -10V~+10V، 0~10V، 0~20mA اختياري | 
| إخراج تماثلي | اتجاه واحد: 0~10V، 0~20mA اختياري | 
| إخراج مرحل | اتجاهان: مجموعتان من الأطراف المفتوحة العادية والمغلقة العادية | 
| واجهة إدخال المقياس | اتجاهان: مقياس المحرك 1 اتجاه؛ مقياس المغزل 1 اتجاه | 
| واجهة إخراج المقياس | اتجاه واحد: إخراج التقاطع | 
| واجهة إدخال النبض | اتجاه واحد: نبض التربيع / الاتجاه + نبض / CW + CCW | 
| واجهة الحافلة | لا يوجد | 
| التحكم في السرعة | النطاق: 0~12000RPM | 
|---|---|
| التحكم في التوقف شبه الكامل | دقة ±1 نبضة؛ يمكن اختيار 8 أوضاع عبر الأطراف | 
| الخرط الصلب | يمكن التوصيل مع العديد من الأنظمة المحلية والمستوردة، خطأ الخراطة 2% | 
| وظائف أخرى | تحكم المحور C، قطع الخيوط، التروس الإلكترونية، الثقب، قفل السرعة صفر | 
| وظيفة الحماية | حماية من ارتفاع الجهد، انخفاض الجهد، تحديد التيار، زيادة التيار، الحمل الزائد، المرحل الحراري الإلكتروني، السخونة الزائدة، التوقف بسبب زيادة الجهد، حماية البيانات، الحماية السريعة، حماية فقدان الطور للإدخال والإخراج | 
|---|
| مكان التثبيت | الارتفاع أقل من 1000 متر، وتتم التصفية عند أكثر من 1000 متر. يتم تصفية بنسبة 1% لكل 100 متر لا يوجد تكاثف، تجمد، أمطار، ثلج، قاذورات، وما إلى ذلك، إشعاع شمسي أقل من 700W/m2، ضغط الهواء 70~106kPa | 
|---|---|
| درجة الحرارة والرطوبة | -10 ~ +50°C، يمكن استخدام التصفية فوق 40°C، الحد الأقصى للحرارة هو 60°C (عملية بدون حمل) 5% ~ 95%RH (بدون تكاثف) | 
| الاهتزاز | عند 9~200Hz، 5.9m/s2(0.6g) | 
| درجة حرارة التخزين | -30 ~ +60℃ | 
| طريقة التثبيت | تركيب على الحائط، خزانة | 
| مستوى الحماية | IP20 | 
| طريقة التبريد | تبريد بالهواء القسري | 
التنزيلات
| اسم الملف | النوع | اللغة | نوع الملف | التحديث | تنزيل | 
|---|---|---|---|---|---|
| SD500 Series Spindle Servo System Catalog V1.0 | Catalog | English | 2023-06-21 | 8.86MB | |
| CE (EMC) of SD500 Spindle Servo Drive | Certificate | English | 2024-08-06 | 1.37MB | |
| CE (LVD) of SD500 Spindle Servo Drive | Certificate | English | 2024-08-06 | 1.36MB | |
| SD500 Spindle Servo Drive Manual(Simplified) V1.4 | Manual | English | 2023-06-27 | 2.39MB | |
| SD500 Sevro Drive CM Spindle Motor Manual | Manual | English | 2023-06-06 | 56.1MB | |
| SD500 Series Spindle Servo Drive Manual V1.3 | Manual | English | 2020-09-25 | 1.48MB | |
| AC Drive PC Software V1.0 | Software | English | ZIP | 2024-02-20 | 46.5MB | 
 
                             
                         
                             
                         Global - English
Global - English Italian - Italiano
Italian - Italiano Polish - Polski
Polish - Polski Spanish - Español
Spanish - Español French - Français
French - Français Russian - Pусский язык
Russian - Pусский язык Chinese - 中文
Chinese - 中文 Korean - 한국어
Korean - 한국어 Turkish - Türkçe
Turkish - Türkçe Vietnamese - Tiếng Việt
Vietnamese - Tiếng Việt







 
                                     
                                     
                                         CNC Lathe
CNC Lathe 
                                         
                                     21-24 أغسطس 2024
21-24 أغسطس 2024 
                                     
                                     
                                    